手動葫蘆是一種結構簡單、使用范圍廣的輕小型手動起重機械,分
手拉葫蘆和手扳葫蘆2種。手動葫蘆作為一種起重機械,使用特點是工作時始終單方向負載,因此其制動機構通常采用螺旋式載荷自制制動器,利用重物自身的重力或牽引力自動地在制動器中產生制動力矩。這種制動器的特點是結構簡單、緊湊,能自動制動,無需外加力,制動器的制動性能與螺旋、制動零件尺寸和摩擦片有直接的關系,設計時應綜合考慮這些因素的影響。
1、工作原理
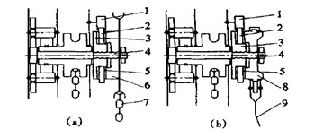
如圖1所示,手動葫蘆制動機構由3部分組成: (1)螺旋—長軸與手鏈輪(制動螺母)間的螺紋; (2)盤式制動器—手鏈輪(制動螺母)、摩擦片、棘輪和制動器座; (3)棘輪停止器—棘輪和棘爪。現以起升重物來說明手動葫蘆制動機構的工作原理。

圖1 手動葫蘆結構簡圖
(a)手拉葫蘆 (b)手扳葫蘆
1.棘爪 2.棘輪 3.制動器座 4.長軸 5.摩擦片
6.手鏈輪 7.手拉鏈 8.制動螺母 9.手柄
提升重物時,拉動手拉鏈(或扳動手柄),手鏈輪6 (制動螺母8)由螺紋旋向摩擦片5,使摩擦片、棘輪2、制動器座3壓為一體,如剛性連接一樣轉動。此時棘爪1在棘輪2齒上滑過,制動機構起著聯軸器的作用。
一旦停止操作,重物欲曳動長軸反轉,但棘爪1卡住棘輪2,機構呈制動狀態,使重物停止不動。下降重物時,反向拉動手拉鏈7(或扳動手柄9),由于手鏈輪6 (制動螺母8)反向微量轉動,使摩擦片5間的軸向壓力降低,制動力矩下降,摩擦片5打滑,此時棘爪1仍卡住棘輪2不動,重物徐徐下降。一旦停止拉動,重物欲曳動長軸繼續下降,制動器座3由螺紋旋向摩擦片5,使摩擦片5、棘輪2、手鏈輪6 (制動螺母8)和制動器座3再次壓為一體,被棘爪1卡住,機構再次進入制動狀態,使重物停止不動。如此反復,即能完成重物的升降作業。