編輯:北京凌鷹起重 瀏覽:2702 時間:2022-10-28
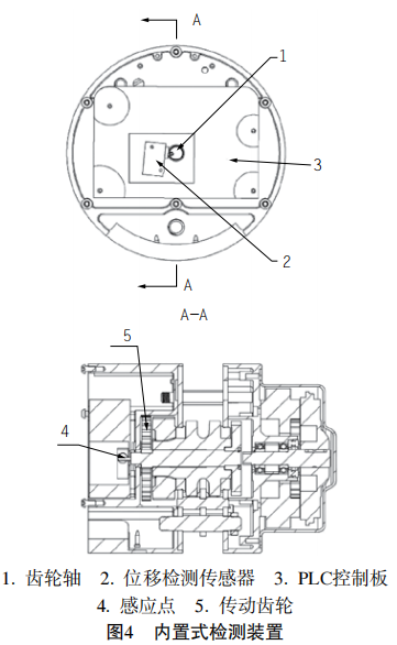
內置式高度檢測裝置如圖4所示,它主要由齒輪軸、位移檢測傳感器和PLC控制板組成。齒輪軸位于電動葫蘆內,齒輪軸貫穿PLC控制板,PLC控制板上設有位移檢測傳感器,位移檢測傳感器位于齒輪軸旁,PLC控制板與位移檢測傳感器電連接,齒輪軸上設有感應點,感應點與位移檢測傳感器配合。根據不同葫蘆的結構,在葫蘆電機的齒輪軸上,布置一個凸起或凹陷的感應開關感應點用于檢測該軸的轉動圈數。電動葫蘆必須配置控制的PLC或單片機,用于處理感應開關檢測到軸的轉動圈數。每臺環鏈電動葫蘆會根據實際鏈條長度,預先在程序中設定好鏈條的首位限位點。PLC或單片機程序設定好檢測的軸與起重鏈條運行距離的比例,再根據檢測軸轉動的圈數計算出鏈條運行的距離,實時計算出吊鉤的高度,當鏈條運行到限位點時會自動停機,起到限位的作用。
上一條: 如何提高風電葫蘆運行的穩定性?
下一條: 一種新型的環鏈電動葫蘆平衡結構介紹

